色一情一伦一子一伦一区,我诱女偷伦初尝云雨,免费看毛片的网站,公车上岳好紧好紧我要进去了

我們的實力
關于我們
關于我們
黃山市振億電子有限公司坐落在舉世聞名的黃山腳下,祁紅之鄉,祁門縣經濟開發區。是一家專業致力于電力半導體器件生產及研發的國家高新技術企業,企業自成立之日起始終堅持...
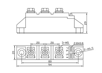
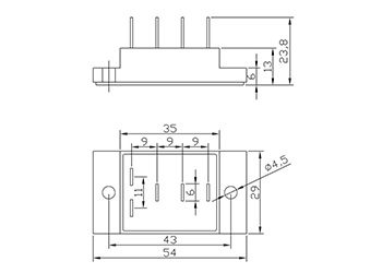
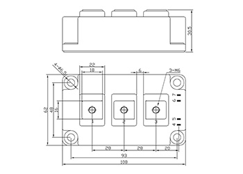
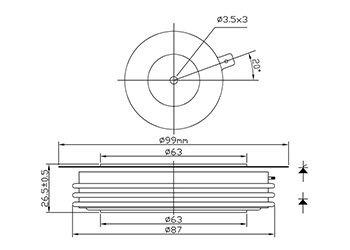
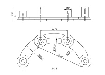
產品中心
企業商訊
  • 整流橋模塊的內部結構分析

    整流橋模塊作為一種功率元器件,廣泛應用于各種電源設備。 其內部主要是由四個二極管組成的橋路來實現把輸入的交流電壓轉化為輸...
    整流橋模塊的內部結構分析
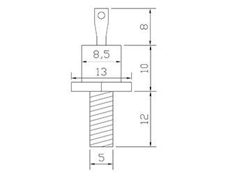
  • 晶閘管的工作原理

    晶閘管(Thyristor)是晶體閘流管的簡稱,又被稱做可控硅整流器,以前被簡稱為可控硅;1957年美國通用電氣公司開發...
    晶閘管的工作原理
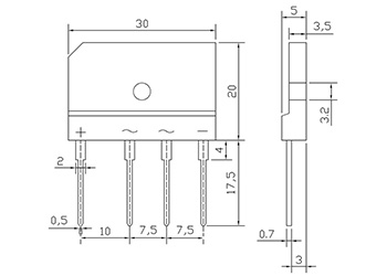
  • 橋式整流器原理及作用

    橋式整流器品種多:有扁形、圓形、方形、板凳形(分直插與貼片)等,有GPP與O/J結構之分。較大整流電流從0.5A到100...
    橋式整流器原理及作用
  • 防反二極管模塊的優勢有哪些

    大家都知道,二極管模塊是有很多的種類的,其中防反二極管模塊就是其中的一種,它也叫做防止反充的一種二極管,就是能夠避免電流...
    防反二極管模塊的優勢有哪些
    企業名片

     
    0559-4506095 / 15805599723
    瀏覽手機站
    <tt id="4kkk8"><rt id="4kkk8"></rt></tt>
  • <tt id="4kkk8"></tt>
  • <li id="4kkk8"></li>
    <tt id="4kkk8"><table id="4kkk8"></table></tt>
  • 色一情一伦一子一伦一区
    乌鲁木齐县| 安庆市| 开封市| 正蓝旗| 常德市| 万州区| 新巴尔虎左旗| 屏东市| 合江县| 淮安市| 即墨市| 蓝山县| 常熟市| 屏东县| 仙居县| 石景山区| 邻水| 米林县| 阿拉善盟| 通江县| 无棣县| 固始县| 黑龙江省| 壤塘县| 永州市| 广汉市| 仪陇县| 松滋市| 镇宁| 黎川县| 宜城市| 台东县| 博爱县| 安新县| 商都县| 牙克石市| 台中市| 四会市| 蒙山县| 抚顺县| 崇州市| http://444 http://444 http://444